Description
MT7621A Wi-Fi Router Board for Wireless & IoT Gateways AP7621-003
AP7621-003 is a 154×70 mm Router board with MT7621A integrates a dual-core MIPS1004Kc (880MHz), HNAT/ HQoS/ Samba/ VPN accelerators, GbE switch, RGMII, Mini PCIe and SDXC. The powerful CPU with rich portfolio is suitable for 802.11ac, LTE cat4/5, edge, hotspot, VPN, AC (Access Control). It can also connect to touch-panel, ZigBee / Z-Wave for Internet Service Router and Home Security Gateway.
For the next generation router, MT7621A provides several dedicated hardware engines to accelerate the NAT, QoS, Samba and VPN trac. These accelerators relief the CPU for other upper layer applications.
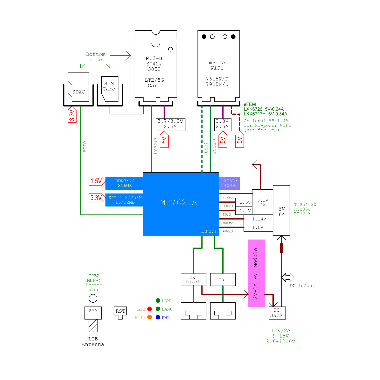
AP7621-003 Block Diagram
Hardware Features
Features
- Mediatek MT7621A chipset
- Flash SPI NOR16MB, DDR3 512MB 16bits BUS
- 32 KB I-Cache and 32 KB D-Cache per core
- 256 KB L2 Cache (shared by Dual-Core)
- SMP capable
- Single processor operation configurable Gigabit Switch
- IPv4 routing, NAT, NAPT
- IPv6 routing, DS-Lite, 6RD, 6to4, HW QoS
- HNAT/ HQoS/ Samba/ VPN accelerators
- Support boot from Flash
- Mini PCIe, M.2 B-Key, Micro SDXC, SPI
- Giga Ethernet ports with Power over Ethernet (PoE) MDI transceivers
- 16 hardware queues to guarantee the min/max bandwidth of each flow
- Seamlessly co-work with HW NAT engine
- 2Gbps wired speed HW Crypto Engine
- Deliver 400~500 Mbps IPSec throughput Green
- Intelligent Clock Scaling (exclusive)
- SDK support OPENWRT
- Suitable with IEEE802.11ac MT7612E, MT7615, LTE, 3G mini
- PCIe cards Powerful Wi-Fi and IoT Gateway like LoRa, Sigfox
Standard
Hardware Features:
| Standard | IEEE 802.11 b/g/n/an/ac standards compliant |
| Wireless LAN | Compatible with MT7612E, MT7615 802.11ac WAVE2 |
| 5GNR/LTE | Compatible with M.2 B-key, (3042 or 3052) |
| Memory | Flash SPI NOR 16MB |
| SDRAM | DDR3 512MB |
| Interface | 1x Mini PCIe slot 1x Giga Ethernet Port for WAN (PoE is option) 1x Giga Ethernet Port for LAN 1x Micro SDXC 1x SPI 1x UART (console) 1x Reset button 154 x 70 x 25 mm |
| Dimension | 154 x 70 x 25 mm |
| Certifications | TBD |
| Power | DC Power Jack from 12V/2A Barrel D=2.0mm IEEE 802.3f PoE 48v (Option) |
Additional information
| Weight | 0.07 kg |
|---|---|
| Dimensions | 15.4 × 7 × 1.73 cm |









